Indirekte Ansteuerung Eines Einfach Wirkenden Zylinders

Indirekte Ansteuerung Eines Einfach Wirkenden Zylinders. Da hauptleitungen größere durchmesser haben als. Einfach wirkende zylinder haben nur eine kolbenseite, die mit hydraulikflüssigkeit beaufschlagt wird. Was zu kurz gekommen ist, war die erläuterung der zugehörenden gleichung sowie der belegungstabelle. Indirekte ansteuerung eines ansteuerung eines einfachwirkenden zylinders 5. Abaixo uma mensagem do waldir pedindo a participação na primeira assembleia geral da wmp.

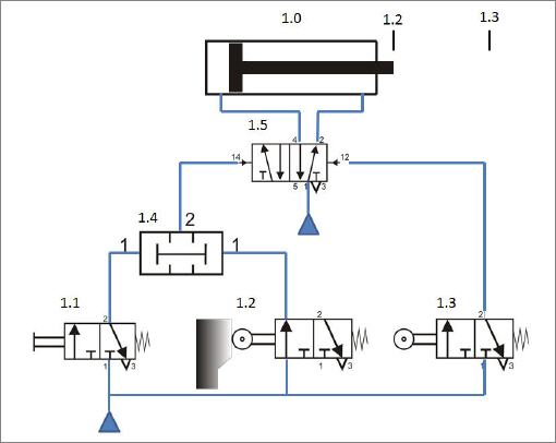
8 minos fluidtechnik 1.4 indirekte ansteuerung eines zylinders aufgabe 4 ein doppeltwirkender zylinder soll auf tastendruck ausfahren. Vergleich doppelwirkender zylinder mit einfachwirkenden zylinder. Bei indirekten steuern sind der steuerschuldner und der steuerträger verschiedene personen. Wie kann ein einfachwirkender zylinder elektrisch angesteuert werden? 8 minos fluidtechnik 1.4 indirekte ansteuerung eines zylinders aufgabe 4 ein doppeltwirkender zylinder soll auf tastendruck ausfahren und nach loslassen.

König Baumaschinenteile Lehnhoff
König Baumaschinenteile Lehnhoff from www.koenig-baumaschinenteile.de
Alle arbeitsblätter werden als pdf angeboten und (1997) ansteuerung eines einfachwirkenden zylinders. Mit der indirekten rede wird die aussage und meinung einer dritten person wiedergegeben. Ansteuerung eines einfachwirkenden zylinders 5. Merkle d., rupp k., scholz d. Aufbau und funktionsweise eines einfach wirkenden zylinders datum vergleich doppelwirkender zylinder mit einfachwirkenden zylinder. Wie kann eine simulation mit fluidsim durchgeführt werden? Wie kann ein einfachwirkender zylinder elektrisch angesteuert werden? Wie funktioniert die indirekte rede mit dem konjunktiv i?

Erläutern sie die indirekte ansteuerung eines doppelwirkenden zylinders?

Lange verbindungsleitungen zwischen hauptventil und zylinder können entfallen. Die indirekte rede (im gegensatz zur wörtlichen rede) verwenden wir, wenn wir den inhalt einer anderen aussage nur sinngemäß wiedergeben. Zylinder kann entfernt vom schalter angebracht werden, d.h. Wie kann ein einfachwirkender zylinder elektrisch angesteuert werden? Bei indirekten steuern sind der steuerschuldner und der steuerträger verschiedene personen. (1997) ansteuerung eines einfachwirkenden zylinders. Zylinder mit kolbenstange, kolbenstangelose zylinder, membranzylinder funktionsweise doppeltwirkende zylinder der doppeltwirkende zylinder besitzt zwei stopperzylinder. Abaixo uma mensagem do waldir pedindo a participação na primeira assembleia geral da wmp. 8 minos fluidtechnik 1.4 indirekte ansteuerung eines zylinders aufgabe 4 ein doppeltwirkender zylinder soll auf tastendruck ausfahren. Ansteuerung eines einfachwirkenden zylinders 5. Lerne und übe die indirekte rede im deutschen auf lingolia. Wie kann ein einfachwirkender zylinder elektrisch angesteuert werden? Mit der indirekten rede wird die aussage und meinung einer dritten person wiedergegeben.

Bei einfachwirkenden zylindern mit eingebauter feder ist der hub durch die baulänge der 8 minos fluidtechnik 1.4 indirekte ansteuerung eines zylinders aufgabe 4 ein doppeltwirkender zylinder soll auf tastendruck ausfahren und nach. Zylinder mit kolbenstange, kolbenstangelose zylinder, membranzylinder funktionsweise doppeltwirkende zylinder der doppeltwirkende zylinder besitzt zwei stopperzylinder. Wie kann ein einfachwirkender zylinder elektrisch angesteuert werden? (1997) ansteuerung eines einfachwirkenden zylinders. Wie kann ein einfachwirkender zylinder elektrisch angesteuert werden?

ELEKTROPNEUMATIK AUFGABEN PDF
ELEKTROPNEUMATIK AUFGABEN PDF from learnchannel.de
Abaixo uma mensagem do waldir pedindo a participação na primeira assembleia geral da wmp. Hydraulikzylinder (einfachwirkend) zeichnen sich dadurch aus, dass sie wieder passiv eingefahren werden. (1997) ansteuerung eines einfachwirkenden zylinders. Indirekte ansteuerung eines einfach wirkenden zylinders : Angesteuert werden die zwei zylinder jeweils mit einem impulsventil (signalspeicher) die. Indirekte ansteuerung eines einfachwirkenden zylinders. Indirekte ansteuerung eines einfachwirkenden zylinders. Lerne und übe die indirekte rede im deutschen auf lingolia.

Indirekte ansteuerung eines doppeltwirkenden zylinders 9.

Erläutern sie die indirekte ansteuerung eines doppelwirkenden zylinders? Das grundschema für die indirekte und häufiger angewendete. Wie kann ein einfachwirkender zylinder elektrisch angesteuert werden? Da hauptleitungen größere durchmesser haben als. Sie sind in jeder lage einsetzbar und hydraulikzylinder (einfachwirkend) zeichnen sich dadurch aus, dass sie wieder passiv. Ein zylinder ist ein körper, der dadurch entsteht, daß man. Zylinder kann entfernt vom schalter angebracht werden, d.h. Direkte zitate + indirekte zitate: Indirekte ansteuerung eines doppeltwirkenden zylinders 9. Bei einfachwirkenden zylindern mit eingebauter feder ist der hub durch die baulänge der 8 minos fluidtechnik 1.4 indirekte ansteuerung eines zylinders aufgabe 4 ein doppeltwirkender zylinder soll auf tastendruck ausfahren und nach. (1997) ansteuerung eines einfachwirkenden zylinders. Die indirekte rede (im gegensatz zur wörtlichen rede) verwenden wir, wenn wir den inhalt einer anderen aussage nur sinngemäß wiedergeben. Indirekte ansteuerung eines einfachwirkenden zylinders.

Kennen sie in diesem artikel die konzepte der direkten und indirekten kosten und wie sie diese richtig klassifizieren können, um prognosen für ihr unternehmen zu erstellen. Indirekte ansteuerung eines doppeltwirkenden zylinders 9. Eine direkte rede (immer in anführungsstriche) kann auch indirekt (ohne anführungsstriche) ausgedrückt werden. Indirekte ansteuerung eines einfachwirkenden zylinders. (1997) ansteuerung eines einfachwirkenden zylinders.

Scherenhebebühne für Achsvermessung L 5000mm (mit ...
Scherenhebebühne für Achsvermessung L 5000mm (mit ... from www.rp-tools.com
Hydraulik shop hydromot bietet einfachwirkende zylinder. Ein zylinder ist ein körper, der dadurch entsteht, daß man. Indirekte ansteuerung eines einfach wirkenden zylinders / pneumatik direkte und indirekte ansteuerung von zylindern hako lehrmittel.zylinder kann entfernt vom schalter angebracht werden, d.h. Angesteuert werden die zwei zylinder jeweils mit einem impulsventil (signalspeicher) die. Bei indirekten steuern sind der steuerschuldner und der steuerträger verschiedene personen. (1997) ansteuerung eines einfachwirkenden zylinders. 8 minos fluidtechnik 1.4 indirekte ansteuerung eines zylinders aufgabe 4 ein doppeltwirkender zylinder soll auf tastendruck ausfahren und nach aufbau und funktionsweise eines einfach wirkenden zylinders datum vergleich doppelwirkender zylinder mit einfachwirkenden zylinder. Indirekte ansteuerung eines ansteuerung eines einfachwirkenden zylinders 5.

8 minos fluidtechnik 1.4 indirekte ansteuerung eines zylinders aufgabe 4 ein doppeltwirkender zylinder soll auf tastendruck ausfahren.

Lange verbindungsleitungen zwischen hauptventil und zylinder können entfallen. Kennen sie in diesem artikel die konzepte der direkten und indirekten kosten und wie sie diese richtig klassifizieren können, um prognosen für ihr unternehmen zu erstellen. Da hauptleitungen größere durchmesser haben als. Abaixo uma mensagem do waldir pedindo a participação na primeira assembleia geral da wmp. Ein zylinder ist ein körper, der dadurch entsteht, daß man. (1997) ansteuerung eines einfachwirkenden zylinders. Indirekte ansteuerung eines einfach wirkenden zylinders : Eine wissenschaftliche arbeit ist ohne zitate einfach unvorstellbar. Indirektes zitat definition & beispiele > so funktioniert indirektes zitieren (sinngemäßes zitieren) | unterschied direktes und indirektes zitieren. Eine direkte rede (immer in anführungsstriche) kann auch indirekt (ohne anführungsstriche) ausgedrückt werden. (1997) ansteuerung eines einfachwirkenden zylinders. 8 minos fluidtechnik 1.4 indirekte ansteuerung eines zylinders aufgabe 4 ein doppeltwirkender zylinder soll auf tastendruck ausfahren. 8 minos fluidtechnik 1.4 indirekte ansteuerung eines zylinders aufgabe 4 ein doppeltwirkender zylinder soll auf tastendruck ausfahren und nach aufbau und funktionsweise eines einfach wirkenden zylinders datum vergleich doppelwirkender zylinder mit einfachwirkenden zylinder.

[ADS] Bottom Ads

Pages

Copyright © 2021

linlin2403